Проверка материнской платы компьютера на работоспособность

Итак, перед вами встал вопрос: «Как проверить материнскую плату компьютера?»
Для того, чтобы проверить работоспособность материнской платы, необходимо иметь в первую очередь заведомо исправный блок питания и процессор. Процессор выходит из строя крайне редко, а вот блок питания лучше временно подключить 100% рабочий.
1) В первую очередь проверку материнской платы следует начать с осмотра и поиска видимых дефектов (трещины, нагар). Визуально проверьте все конденсаторы на материнской платы на предмет вздутости. Взорвавшиеся и вздутые конденсаторы зачастую являются причиной неработоспособности материнской платы. Если вы обнаружите вздутые конденсаторы, то материнскую плату необходимо заменить. Стабильно работать она точно не будет.

2) Сбросьте установки CMOS. Джампер сброса настроек БИОСа обычно располагается неподалеку от батарейки на материнской плате и маркируется CLR_CMOS или CCMOS. Это джампер, на которм 3 контакта. 1 и 2 контакты замкнуты в обычном режиме.

Для сброса к заводским настройкам необходимо замкнуть 2 и 3 контакты на 20 секунд, а затем вернуть джампер в исходное положение.
3) Отключите блок питания от сети. Отключите от материнской платы все шлейфы (кроме питания) и устройства (жесткий диск, дисковод и т.д.), извлеките все платы из слотов (видеокарта и т.д.), извлеките оперативную память. В материнской плате должен остаться установленным только процессор, подключенным вентилятор процессора и спикер (внутренний динамик). Включите блок питания в сеть.
Запускаем компьютер посредством замыкания соответствующих контактов разъема передней панели на материнской плате (PWR).
Спикер должен начать издавать звуковой сигнал неисправности оперативной памяти. На разных моделях материнок он может быть разным. Обычно это непрерывный писк.
Если спикер издает сигнал, значит не все потеряно и материнская плата скорее всего исправна. Если звука нет, материнская плата неисправна и ее необходимо заменить.
4) Отключите блок питания от сети. Установите исправный модуль оперативной памяти в первый слот. Включите блок питания в сеть и запустите компьютер как в п.2. Спикер должен начать издавать звуковой сигнал ошибки видеокарты (здесь описана проверка материнской платы без встроенного видеоадаптера). Обычно это один длинный сигнал и три коротких. Если это происходит, то материнская плата в 98% случаев работоспособна.
Если звука нет, попробуйте заменить модуль оперативной памяти или установить его в другой слот и выполните п.3 сначала.
Не забывайте отключать блок питания от сети перед тем как вытаскивать или вставлять модуль памяти или плату расширения (видеокарта и т.д.)
5) Установите видеокарту. Если на ней имеется разъем дополнительного питания, не забудьте его подключить. Подключите монитор и запустите компьютер. Спикер должен издать один короткий звуковой сигнал, а на экране появиться заставка BIOS.
Если этого не происходит, то скорее всего неисправна видеокарта.
Если пункты 1-4 пройдены успешно, материнская плата скорее всего исправная и в том, что компьютер не включается виновато другое устройство. Например, видеокарта или жесткий диск.
Пошаговая процедура ремонта материнской платы ноутбука


Материнская плата ноутбука не включается. На примере ASUS A6F рассмотрим общий принцип ремонта и поиска неисправностей, которые препятствуют запуску материнской платы и поможет нам в этом POWER On Sequence (такая страничка имеется во многих схемах ноутбуков).

По диаграмме можно отследить всю процедуру запуска материнской платы, начиная с момента включения питания и вплоть до готовности процессора выполнять инструкции BIOS и определить, на каком из этапов у нас происходит ошибка. В той же pdf-ке к материнской плате, можно найти более детальную схему распределения напряжений:

0-1 Входные напряжения питания A/D_DOCK_IN и AC_BAT_SYS
Первым делом следует убедиться в наличии питающего напряжения 19 вольт на входе материнской платы и, желательно, напряжения с АКБ (аккумуляторной батареи). Отсутствие входных напряжений A/D_DOCK_IN и АС_ВАТ_SYS представляется достаточно частой проблемой и проверку следует начинать с блока питания и разъёма на плате.


Если напряжение на участке (разъём — P-mosfet) отсутствует, то необходимо разорвать связь между сигналами A/D_DOCK_IN и AC_BAT_SYS. Если напряжение со стороны A/D_DOCK_IN появилось, то причина неисправности скрывается дальше и надо разбираться с участком (P-mosfet — нагрузка):

Необходимо исключить вариант короткого замыкания (КЗ) по AC_BAT_SYS (19В). Чаще всего, КЗ заканчивается не дальше, чем на силовых транзисторах в цепях, требующих высокой мощности (питание процессора и видеокарты) или на керамических конденсаторах. В ином случае, необходимо проверять все, к чему прикасается AC_BAT_SYS.
Если КЗ отсутствует, то обращаем внимание на контроллер заряда и P-MOS транзисторы, которые являются своеобразным «разводным мостом» между блоком питания и аккумулятором. Контроллер заряда выполняет функцию переключателя входных напряжений. Для понимания процесса работы, обратимся к datasheet, в котором нас интересует минимальные условия работы контроллера заряда:

Как видно по схеме, контроллер MAX8725 управляет транзисторами P3 и P2, тем самым переключая источники питания между БП и аккумулятором — P3 отвечает за блок питания, а P2 за аккумулятор. Необходимо проверить работоспособность этих транзисторов.
Разберем принцип работы контроллера. При отсутствии основного питания, контроллер автоматически закрывает транзистор P3 (управляющий сигнал PDS) тем самым перекрывая доступ блока питания к материнской плате и открывает транзистор P2 (управляющий сигнал PDL). В таком случае плата работает только от аккумулятора.
Если мы подключим блок питания, контроллер должен перекрыть питание от аккумулятора закрывая P2 и открывая P3, обеспечив питание от внешнего блока питания и зарядку аккумулятора.
При диагностике входного напряжения от сети мы не используем аккумулятор и проверяем только сигнал PDS. В нормальном режиме он должен «подтягиваться» к земле, тем самым открывая P-MOS и пропуская 19В на плату. Если контроллер неправильно управляет транзистором P3, то необходимо проверить запитан ли сам контроллер. Затем проверяем основные сигналы DCIN, ACIN, ACOK, PDS. При их отсутствии, меняем контроллер и, на всякий случай, P-MOS транзисторы.
Если проблем с входными напряжениями нет, но плата все равно не работает, переходим к следующему шагу.
1-2 Питание EC контроллера
Embedded Contoller (EC) управляет материнской платой ноутбука, а именно включением/выключением, обработкой ACPI-событий и режимом зарядки аккумулятора. Также эту микросхему ещё называют SMC (System Management Controller) или MIO (Multi Input Output).
Контакты микросхемы EC контроллера программируются под конкретную платформу, а сама программа, как правило, хранится в BIOS или на отдельной FLASH микросхеме.
Вернувшись к схеме запуска материнской платы, первым пунктом видим напряжение +3VA_EC, которое является основным питанием EC контроллера и микросхемы BIOS. Данное напряжение формирует линейный стабилизатор MIC5236YM:

Благодаря присутствию сигнала AC_BAT_SYS, микросхема должна выдать напряжение +3VAO, которое с помощью диагностических джамперов преобразуется в +3VA и +3VA_EC.
+3VA и +3VA_EC питают Embedded контроллер и BIOS, при этом запускается основная логика платы, которая отрабатывается внутри EC контроллера. Основными причинами отсутствия +3VA и +3VA_EC могут служить короткое замыкание внутри компонентов (ЕС, BIOS и т.д.), либо повреждение линейного стабилизатора или его обвязки.
3 Дежурные напряжения (+3VSUS, +5VSUS, +12VSUS)
После того как был запитан EC и он считал свою прошивку, контроллер выдает разрешающий сигнал VSUS_ON для подачи дежурных напряжений (см. пункт 3 последовательности запуска). Этот сигнал поступает на импульсную систему питания во главе которой стоит микросхема TPS51020:

Как видно на схеме, нас интересуют напряжения, отмеченные на схеме зеленым цветом +5VO, +5VSUS, +3VO, +3VSUS. Для того, что бы эти напряжения появились на плате необходимо что бы микросхема была запитана 19В (AC_BAT_SYS) и на входы 9, 10 приходили разрешающие сигналы ENBL1, и ENBL2.
Разрешающие сигналы на платформе A6F формируются из сигналов FORCE_OFF# и VSUS_ON.

В первую очередь нужно обратить внимание на VSUS_ON который выдается EC контроллером, а сигнал FORCE_OFF# рассмотрим чуть позже. Отсутствие сигнала VSUS_ON говорит о том, что либо повреждена прошивка (хранящаяся в BIOS), либо сам EC контроллер.
Если же напряжение ENBL присутствует на плате и TPS51020 запитан, то значит TPS51020 должен формировать +5VO, +5VSUS, +3VO, +3VSUS (проверяется мультиметром на соответствующих контрольных точках).
Если напряжения +5VO, +3VO не формируются, проверяем эти линии на КЗ или заниженное сопротивление. В случае обнаружения КЗ, разрываем цепь и выясняем, каким компонентом оно вызвано.
При отсутствии или после устранения КЗ, снова проверяем напряжения и если их нет, то меняем сам контроллер вместе с транзисторами которыми он управляет.
4 Сигнал VSUS_GD#
На этом этапе контроллер дежурных напряжений сообщает EC контроллеру о том, что дежурные питания в норме. Проблем тут быть не должно.
5 Сигнал RSMRST#
На этом этапе EC контроллер выдает сигнал готовности системы к включению — RSMRST# (resume and reset signal output). Этот сигнал проходит непосредственно между EC и южным мостом. Причиной его отсутствия может быть сам контроллер, южный мост или прошивка EC.
Прежде чем искать аппаратные проблемы, сначала прошейте BIOS. Если результата нет, отпаиваем и поднимаем соответствующую сигналу RSMRST# 105 ножку EC, и проверяем выход сигнала на EC контроллера. Если сигнал все равно не выходит, то меняем контроллер.
Если сигнал выходит, но до южного моста не доходит, то проверяем южный мост и часовой кварц, в худшем случае меняем сам южный мост.
6 Кнопка включения (сигнал PWRSW#_EC)
На этом этапе необходимо проверить прохождение сигнала от кнопки включения до EC контроллера. Для этого меряем напряжение на кнопке и проверяем ее функциональность, если после нажатия напряжение не падает, то проблема в кнопке. Так же можно закоротить этот сигнал с землей и проверить включение.
7 Сигнал включения (сигнал PM_PWRBTN#)
После того как сигнал от кнопки включения попадает на EC, тот в свою очередь передает этот сигнал в виде PM_PWRBTN# на южный мост.
Если южный мост его успешно принял, то следующим этапом является выдача ответа в виде двух сигналов PM_SUSC#, PM_SUSB#, которые, в свою очередь, являются разрешением южного моста EC контроллеру включать основные напряжения платы (если южный мост никак не реагирует на сигнал PM_PWRBTN#, то проблема скрывается в нем).
8-9 Основные напряжения
Каким образом EC контроллер обрабатывает ACPI-события? В предыдущем пункте было сказано, что южный мост отправляет на EC два сигнала PM_SUSC#, PM_SUSB#. Эти сигналы еще называют SLP_S3# и SLP_S4# (отмечено красным блоком на след схеме):

Рассмотрим более подробно ACPI состояния:
- S0 — Working Status
- S1 — POS (Power on Suspend)
- S3 — STR (Suspend to RAM), Memory Working
- S4 — STD (Suspend to Disk), H.D.D. Working
- S5 — Soft Off
Так вот, состояние этих сигналов отвечает за ACPI состояние питания на материнской плате:

Мы будем рассматривать случай, когда оба сигнала SLP_S3# и SLP_S4# , соответственно сигналы SUSC_EC#, SUSB_EC# в состоянии HI. То есть, материнская плата находится в режиме S0 (полностью работает, все напряжения присутствуют).
Как видно из последовательности запуска, при появлении сигналов SUSC_EC#, SUSB_EC#, на плате должны появиться следующие напряжения:
- SUSC_EC#, отвечает за напряжения: +1.8V, +1.5V, +2.5V, +3V, +5V, +1V;
- SUSB_EC#, отвечает за напряжения: +0.9VS, +1.5VS, +2.5VS, +3VS, +5VS, +12VS
Если хоть одного из этих напряжений не будет, плата не запустится, по этому, проверяем каждую систему питания, начиная от +1.8V, заканчивая +12VS.
Сигналы SUSC_EC#, SUSB_EC#, поступают как на ENABLE отдельных импульсных систем питания (например 1.8V DUAL — питание памяти), так и на целые каскады напряжений преобразовывая уже существующие ранее дежурные напряжения в основные:

10 Питание процессора
Проверяем разрешающий сигнал VRON, который с определенной задержкой поступает на контроллер питания CPU сразу после выдачи сигналов SUSC_EC#, SUSB_EC#. Далее на CPU должно появится напряжение, если такого не произошло, разбираемся с контроллером питания и его обвязкой. Причин неработоспособности системы питания CPU достаточно много. Основная из них — это выход из строя самого контроллера. Необходимо проверить минимальные условия работы, для этого не помешает даташит контроллера и сама схема.
11 Включение тактового генератора
После того, как на плате появилось напряжениеCPU, контроллер должен выдать 2 сигнала, это IMVPOK# (Intel Mobile Voltage Positioning — OK) и CLK_EN#. Сигнал IMVPOK# уведомляет EC о том, что питание процессора в норме, а сигнал CLK_EN# включает тактовую генерацию основных логических узлов. Что бы проверить работоспособность клокера ICS954310 необходимо измерить частоту хотя бы на одном из выводов на котором тактовая частота наименьшая, или такая, которую словит ваш осциллограф. Выберем для этого 12 ножку ICS954310, которая отвечает за выдачу FSLA/USB_48MHz. Если нет генерации, то проверяем минимальные условия для работы ICS954310. Это кварц 14Mhz и питание 3VS и 3VS_CLK.
12 Завершающий сигнал готовности питания (PWROK)
Если этот сигнал присутствует, и логика EC исправна, то это значит, что все напряжения на плате должны быть включены.
13 PLT_RST#, H_PWRGD
PLT_RST# – сигнал reset для северного моста, H_PWRGD сообщает процессору о том, что питание северного моста в норме. Если возникли проблемы с этими сигналами, то проверяем работоспособность северного и южного моста.
Проверка мостов — тема, довольно обширная. Вкратце, можно сказать, что необходимо проверять сопротивления по всем линиям питания этих мостов и при отклонении от нормы мосты нужно менять.
В принципе, обычной диодной прозвонкой сигнальных линий можно определить неисправный мост, но так как микросхемы выполнены в корпусе BGA, добраться до их выводов практически невозможно. Не все выводы приходят на элементы, которые легко достать щупом тестера, поэтому используют специальные вспомогательные диагностические платы (например есть диагностические платы для проверки северного моста и каналов памяти).
14 Завершающий этап
H_CPURST# — сигнал reset, выдаваемый северным мостом CPU. После завершения последовательности начинается выполнение инструкций BIOS.
Подписывайтесь на канал
Яндекс.Дзен и узнавайте первыми о новых материалах, опубликованных на сайте.
Если считаете статью полезной,
не ленитесь ставить лайки и делиться с друзьями.
![]()
![]()
![]()
![]()
![]()
![]()
Комментариев: 4
- 2020-03-29 в 19:46:47 | Комментатор 189 Excelente artículo.
- 2020-05-15 в 10:47:58 | angos Здравствуйте. Столкнулся с проблемой прошивки контроллера аккумулятора после замены элементов 18650, дело в том, что напряжение на материнку поступает, но чтобы им воспользоваться мультиконтроллер видимо опрашивает контроллер аккумулятора и по результату опроса в конечном счете продуцирует сам себе какой-то физический enable, чтобы открыть канал питания от аккумулятора. Вы так досконально разбиратесь в алгоритме последовательности включения, не могли бы подсказать, как сымитировать это разрешение принудительно, потому что программа для прошивки контроллера слишком дорого стоит.
- 2022-05-08 в 18:49:43 | Виктор полезная статья , спасибо.
- 2023-03-28 в 14:51:38 | юрий ноутбук asus n55s,нет заряда.работает и от сети и от батареи. система батарею видит,аида полностью контроллирует и считывает.менялись батареи,менялся блок питания,внутри поменяли контроллер,три раза, все транзисторы вокруг. никакого результата. после последней замены контроллера ноутбук зарядился в выключеном состоянии,и через 10 мин работы на батарее заряд опять пропал,то есть,опять вылетел контроллер. для справки,из ноутбука на батарею выходит 5в вместо 12
Решение проблем с питанием ноутбука/планшета
Поломка ноутбука – всегда вызывает стресс, а особенно, когда неизвестна точная причина неисправности. Часто возникает ситуация, когда ноутбук не заряжается или заряжается не полностью, в отдельных случаях наблюдается очень быстрая разрядка, в некоторых случаях техника может не включаться. Чаще всего, пользователи ищут причины неисправности в блоке питания или в аккумуляторной батарее. Однако подобные признаки могут проявляться и при полной исправности вышеперечисленных комплектующих. Выяснить точную причину непрофессионалу будет весьма проблематично, т.к. проблемы с питанием ноутбука или планшета также могут возникать вследствие проблемы с аккумуляторной батареей, проблемы с разъемом зарядки, при возникновении данной проблемы из-за короткого замыкания, может потребоваться и восстановление цепей питания.
В ряде случаев, причина может быть в цепях питания. Если в сети произошло короткое замыкание, то весьма вероятно, что окажется поврежден не только разъем питания, но и цепи питания ноутбука.
Цепи питания – это контуры материнской платы ноутбука, самого главного компонента любого ноутбука. Именно по цепям питания ток подается на все компоненты системы, обеспечивая их правильное функционирование. Если описать данный процесс более подробно, то ток, поступает через блок питания на материнскую плату, а с помощью цепей питания обеспечивается его передача к комплектующим ноутбука, таким как: процессор, видеокарта и т.д.. Поэтому если ноутбук перестает нормально функционировать, то возможной причиной может быть неисправность в цепях питания.
Причины дефектов в цепях питания ноутбука.
Может быть несколько причин, которые вызывают выход из строя цепей питания, некоторые из них пользователь может исключить, правильно используя компьютерную технику.
- Зарядка ноутбука с помощью неоригинального блока питания. При подборе блока питания, особенно неоригинального, следите за тем, чтобы количество вольт и ампер нового зарядного устройства совпадало с предыдущими параметрами.
- Продолжительная эксплуатация компьютера с неисправным разъемом. При использовании ноутбука или планшета, который заряжается не всегда или только при усиленном нажатии, при подключении зарядного устройства в разъем, может выйти из строя как само зарядное устройство, так и могут быть повреждены цепи питания устройства.
- Короткое замыкание. Нестабильная подача электроэнергии либо резкий перепад напряжения приводит к выходу из строя, как блока питания, аккумулятора, так и цепей питания ноутбука.
- Залитие ноутбука. При попадании в корпус жидкости может повлечь множество неисправностей. В большинстве случаев потребуется химчистка ноутбука, при сильном залитии может потребоваться восстановление цепей питания.
- Небрежная эксплуатация техники (некорректное подключение зарядки). Не рекомендуется пользоваться ноутбуком или планшетом при включенной зарядке, часто провод блока питания находится в натянутом состоянии, что со временем приводит к неисправности разъема, а при длительной эксплуатации в таком положении может выйти из строя как зарядное устройство, так и разъем, а при таком длительном использовании и цепей питания.
Специфика восстановления цепей питания.
Установленные на материнской плате ноутбука цепи питания представляют собой сложные схемы с множеством элементов: транзисторы, конденсаторы, стабилизаторы. Восстановление происходит путем последовательного прозванивания цепей питания и, тем самым, выявления неисправностей. Поэтому, ремонт цепей питания, занимает длительное время, учитывая, большое количество элементов для проверки, а также сложность выполняемой работы, так как специалист должен разбираться в микроэлектронике материнских плат различных моделей ноутбуков.
Могут возникнуть случаи, когда перестает заряжаться батарея или устройство работает только от сети. Проблема здесь может крыться либо в самой батарее, либо в контроллере заряда – микросхеме, отвечающей за подачу напряжения на батарею.
Цепи повреждаются также при нестабильном напряжении в сети. Поломка цепей питания выглядит по-разному. Иногда ноутбук не включается или запускается через раз. В дальнейшем частота включений снижается. В некоторых случаях могут зависать приложения, что связано с недостатком электропитания видеокарты.
Напряжение переменного тока в России составляет 220 вольт. Однако ноутбук работает от переменного тока и в большинстве случаев от напряжения 19 вольт постоянного тока. Внутри ноутбука есть устройства, которые работают от 3 и от 5 вольт. Данное напряжение формируется специальными устройствами, которые составляют цепи питания ноутбука. Во время эксплуатации ноутбука из-за небрежного обращения или скачков напряжения происходит разрыв цепей питания ноутбука. И можем наблюдать картину, при которой ноутбук не включается, не путать с тем, что ноутбук не загружает операционную систему. Также ноутбук может не реагировать на кнопку включения, не работать без батареи.
Помимо перечисленных выше поломок цепи питания есть еще отдельные цепи питания, которые как раз и формируют напряжения от 1,5 до 24 вольт и используются для питания процессора, оперативной памяти, чипсета, жесткого диска, матрицы, и многих других устройств в ноутбуке. Расположены они, как правило на материнской плате ноутбука. Ремонт таких цепей очень трудоемкий процесс он требует фундаментальных знаний схемотехники, а что не маловажно это наличие запчастей и специального оборудования. Данный вид ремонта невозможно выполнить на дому. Наш сервис уже более десяти лет занимается именно таки видом ремонта и предлагает вам качественный ремонт материнских плат ноутбуков любых моделей на выгодных условиях.

Ремонт систем питания ноутбука
Для примера рассмотрим схему включения ноутбука.
При включении ноутбука дежурное напряжение через кнопку подается на мультиконтроллер, который запускает все контроллеры ШИМ, вырабатывающие все напряжения (их много), и, при нормальном исходе, вырабатывают сигнал PowerGood. По этому сигналу снимается сигнал resetс процессора и он начинает выполнять программный код, записанный в BIOS с адресом 0000.
Затем BIOS запускает POST, который выполняет обнаружение и самотестирование системы. Во время самотестирования обнаруживается и инициализируется видеочип, включается подсветка, определяется тип процессора. Из данных BIOS определяется его тактовая частота, множитель, настройки. Затем определяется тип памяти, ее объем, проводится ее тестирование.
После этого происходит обнаружение, инициализация и проверка подключенных накопителей – привода, жесткого диска, картридера, и др., а после проверка и тестирование дополнительных устройств.
После завершения POST управление передается загрузчику операционной системы на жестком диске, который и загружает ее ядро.
Если питание не появляется и светодиод питания не горит.
Ищем неисправность в схеме управления питанием. Проверяем мультиконтроллер — микросхему, управляющую схемами ШИМ, формирования напряжений. Также в нем встроены контроллеры периферии (клавиатуры, мыши, температуры, вентилятора, аккумулятора, тачпада и др.). Иногда в мультиконтроллер входит контроллер USB. Часто это микросхема ITE. На мультиконтроллер подается напряжение питания непосредственно с адаптера (обычно 19В), а дальше передается на другие устройства. Таким образом, контроллер управляет процессом включения в ноутбуке.
- За распределение питания может отвечать и схема коммутации питания. Она отвечает за переключение питания с внешнего адаптера на питание от батареи, контролирует зарядку и др.
- В некоторых случаях слетает прошивка микроконтроллера. В этом случае ноутбук не запускается, хотя все напряжения присутствуют и нужные сигналы подаются.
- Если Ваш ноутбук или нетбук стал плохо заряжаться или не заряжается вообще, причины могут быть как в выходе из строя аккумуляторной батареи, так и в самом зарядном устройстве лэптопа. Прежде чем вызывать мастера, попробуйте сами определить неисправность.
- Подсоедините «зарядку» к другому ноутбуку, который заведомо исправен, и его зарядное устройство имеет аналогичную выходную мощность.
- Поступите наоборот, к своему ноутбуку подключите другую рабочую зарядку.
- Извлеките аккумулятор из аппарата и проверьте, работает ли он просто от сети без него.
- Имеется мультиметр и умеете им пользоваться. Тогда проверьте им зарядное устройство и убедитесь в его исправности.

Причины быстрой разрядки батареи.
Одной из частых неисправностей является не заряжающийся аккумулятор. Ноутбук продолжает работать от аккумулятора, но его зарядки не происходит. Или же он вообще не включается. Наиболее частой причиной являются скачки напряжения в сети (неисправен адаптер питания, неисправна сама АКБ, сломан внутренний разъем питания, проблемы с материнской платой). Не пытайтесь устранить проблему самостоятельно. Чаще всего, ремонт заключается в замене мультиконтроллера и безуспешные попытки починить батарею самостоятельно только повысят итоговую стоимость ремонта.
В большинстве случаев, батарея начинает быстро разряжаться в следствие выработки ресурса. Большинство литий-ионных батарей могут выдержать 800 циклов заряд-разряд. Более точное число циклов определить невозможно из-за неодинаковых сеансов работы устройства в автономном режиме. Даже при полной разрядке и зарядке батареи батарея со временем теряет часть емкости. Даже при корректной и бережной эксплуатации ресурсоемкость батареи снижается примерно на 10%. Большинство производителей заявляют срок службы аккумуляторов в 2 года. Иногда срок эксплуатации батареи может быть дольше, но тем не менее необходимость замены возникнет в любом случае.
Еще одной причиной, по которой перестала заряжаться батарея на ноутбуке может оказаться выход из строя одного из элементов батареи. Все-таки пока изготовители не научились делать абсолютно одинаковые элементы питания. Зарядкой аккумуляторов управляет встроенный в корпус контроллер и, если он определяет, что один из элементов вышел из строя, то прекращается зарядка остальных. Такую батарею можно восстановить путем замены неисправного элемента. Это сложный процесс и лучше всего обратиться за помощью в сервисный центр по ремонту ноутбуков.
Может быть, причина кроется в неправильной работе самого контроллера. Тогда тоже придется обратиться за помощью к специалистам.
Проблема может быть и во внешнем блоке питания, который работает неправильно. Блок питания может выдавать низкое напряжение, которого будет недостаточно для того, чтобы зарядить батарею. Попробуйте воспользоваться другим внешним блоком питания для вашей батареи.
Батарея на ноутбуке может не заряжаться, вследствие механических повреждений, например, ослабление контактов между гнездом на ноутбуке и штекером провода зарядки, а также внутренний разрыв или перегиб провода. Замена блока питания должна решить эту проблему.
Еще зарядке батареи может мешать недавно установленное программное обеспечение (программа). Решить задачу можно удалением программ.
Весьма распространенное явление — это проблемы с питанием самого ноутбука. Они могут быть самого различного характера, начиная от полной обесточенности аппарата и заканчивая слабой емкостью батареи. Стоит проверить, заряжается или не заряжается батарея на ноутбуке, работает ли ноутбук отдельно от батареи, без неё или вообще никак. Чаще всего эти проблемы решаются восстановлением контактов в блоке питания, хотя, если речь идет об автономной работе, то проблемы могут быть и в емкости аккумулятора ноутбука, и в поврежденном чипе, отвечающем за подзарядку элементов питания.
Вероятной причиной может быть и выход из строя элементов материнской платы. Наиболее чувствительными элементами, часто выодящими из строя являются перегорающие транзисторы и пробитые конденсаторы на входе питания, или на питании батареи. Данные проблемы самостоятельно решить не удасться, необходимо обратиться только к квалифицированным специалистам.
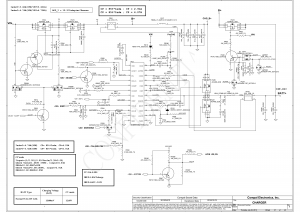
Диагностика и ремонт цепей питания ноутбуков Acer
Ремонт материнских плат на платформе Compal, с неисправностью «не заряжает» АКБ или «не включается», особенно после залития жидкостью, зачастую вызывает у мастеров трудности. Рассмотрим типовую схему питания и заряда, применяемую в ноутбуках Acer, на примере платформы LA-6552p. Эта материнская плата устанавливается в ноутбуках Acer 5552 и Emashines E442. Другие материнские платы, имеющие в своем составе микросхему заряда ISL 6251, построены по аналогичному принципу и имеют минимальные отличия.
- Полная схема ноутбука: ACER Aspire 5552 PEW96 LA-6552p
- Datasheet микросхемы чарджера ISL-6251
Будем рассматривать параллельно типовую схему включения чарджера ISL6251a и те куски схемы ноутбука, которые связаны с запуском и зарядом аккумулятора.
Эта статья подразумевает, что вы знакомы с работой микросхемы чарджера и мультиконтроллера. Если это не так, то сначала изучите другую нашу статью по электрическим цепям чарджера и питания и функционирования мультиконтроллера при запуске ноутбука.
Схема включения микросхемы заряда ISL6251:

В этой референской схеме:
- вход DCIN — вход питания от адаптера питания 19 В
- вход ACSET — вход обнаружения нормального уровня напряжения питания от сети (должно быть больше 1.26 V для включения, через резисторный делитель)
- выход ACPRN# — сигнал на мультиконтроллер на начало работы
- вход EN — сигнал от мультиконтроллера на разрешение заряда аккумулятора
- CELLS — сигнал от мультиконтроллера, указывающий, какое напряжение заряда аккумулятора должно быть на выходе чарджера
- VDD и VDDP — напряжение питания самого чарджера, которое он сам генерирует из входного напряжения сети

Работа чарджера ISL6251 и заряд аккумулятора
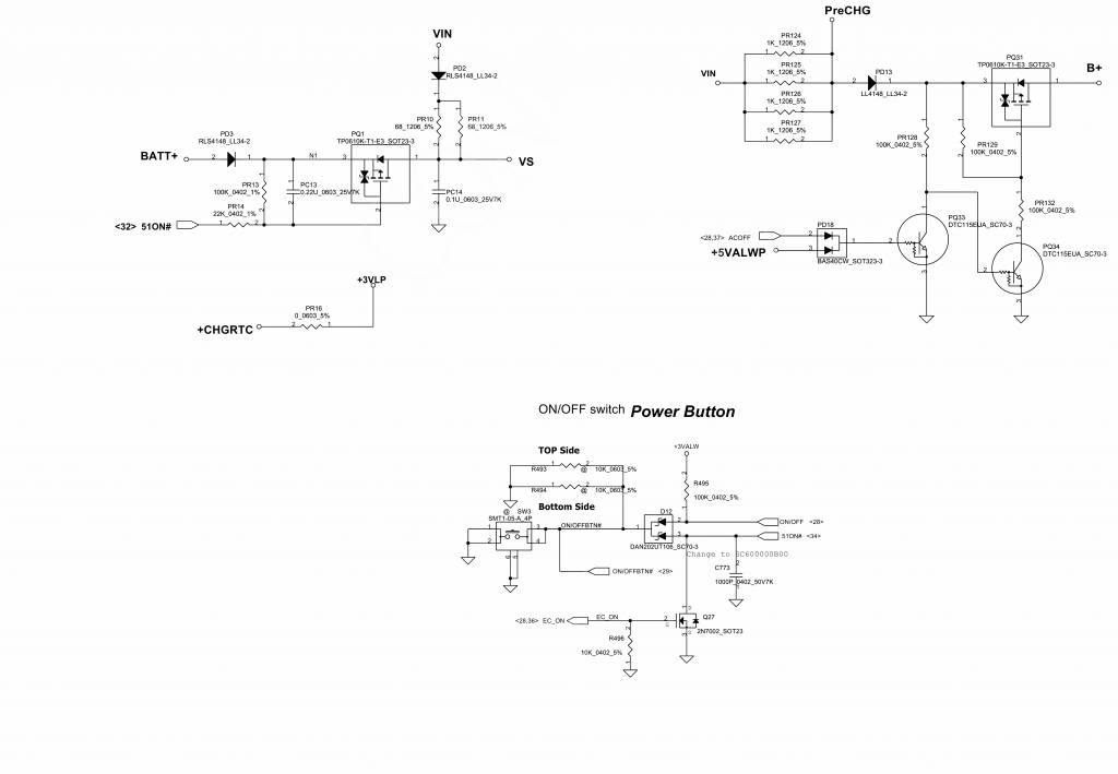
Питание +19в поступает на 24-й вывод микросхемы чарджера DCIN с разъема питания через диод PD16 и резистор PR281 (входное напряжение схемы обозначено VIN). Если вы заменили микросхему, проверьте цел ли резистор. Внутри микросхемы на выводе 1 VDD формируется напряжение питания +5в которое далее через PR86 поступает на 15 вывод VDDP и запитывает остальные узлы микросхемы. Проверяем присутствие +5в на 15 выводе.
На выводе VREF должно быть генерируемое чарджером опорное напряжение 2.39v
Вход ACSET — чарджер детектирует напряжение питания 19в, которое делитель на PR280 и PR282 понижает в 14 раз. Для этого напряжение на ACSET должно превысить 1.26в, что соответствует 18.0в на входе. Обнаружив нормальное питание, чарджер опускает в низкий уровень ACPRN — подаёт сигнал мультиконтроллеру.
Мультиконтроллер обменивается данными с контроллером аккумулятора и при необходимости зарядки выставляет высокий уровень на выводе EN чарджера, разрешая ему заряд.
На выводе CELLS мультиконтроллер устанавливает напряжение, зависящее от количества банок в аккумуляторе, указывая тем самым чарджеру, какое напряжение подавать на аккумулятор. Чарджер вырабатывает напряжение BATT+ на заряд батареи (типовое 12.6 В).
Выводы CSIN CSIP подключены к датчику тока источника питания — резистору PR61, а выводы CSON CSOP — источнику тока заряда. При превышении тока чарджер выключает зарядку аккумулятора.
Таким образом, для заряда аккумулятора необходимо, чтобы чарджер был запитан (DCIN = 19в, VDD и VDDP = 5в, VREF = 2.39v), чтобы он продетектировал питание (ACSET >1.26v) мультиконтроллер выдал ему сигнал EN.
Должна запуститься генерация на транзисторах PQ55 PQ57, токи на PR61 и PR78 не должны превысить предельно допустимых. Здесь следует обратить внимание, что кроме самих резисторов PR61 PR78 могут подгореть также и PR74 PR76 PR72 PR73, из-за чего чарджер может неправильно измерять токи.
Работа цепей питания LA6552p. Первоначальный запуск и появление напряжений
Для работы ноутбука необходимо, чтобы открылись входные полевые транзисторы PQ14 PQ15. Их открывает транзистор PQ68B. Его же открывает высокий уровень сигнала PACIN. На транзисторах PQ68A, PQ21, PQ19 собрана блокировка — низкий уровень на затворе PQ68A приводит к надежному закрытию PQ14, PQ15. Также это может произойти, если мультиконтроллер подымет сигнал ACOFF.
Теперь посмотрим, откуда берется PACIN. По схеме мы видим, что из 6251VDD через резистор PR286. В добавок к этому, PQ67 должен быть закрыт, для чего чарджер должен продетектировать наличие внешнего питания (вывод ACSET) и опустить сигнал ACPRN.

Кстати, ACSET формируется не из напряжения VIN с разъёма, а из напряжения PreCHG, которое, в свою очередь, уже формируется из VIN четырьмя резисторами PR124-PR127, поэтому, если последние в обрыве, то чарджер не увидит подключенный адаптер.

Запуск ШИМ RT8205, дежурные напряжения +3 и +5
На данной платформе генерация дежурных напряжений происходит только при питании от адаптера. Сигналы держаного напряжения здесь называются +3ALWP и +5ALWP, формируемых микросхемой RT8205.

Рассмотрим работу ноутбука без аккумулятора, поскольку при ремонте материнской платы обычно мастер так и поступает, запитывая плату от лабораторного блока питания. После подключения адаптера появляется VIN и PreCHG. Через резистор PR128 оно поступает на базу PQ34, открывая его, а он, в свою очередь, открывает PQ31, подавая PreCHG на B+. Поскольку пока никакие узлы не запущены, потребления по B+ нет, то через резисторы PR124-PR127 происходит заряд конденсаторов, подключенных к B+
Когда напряжение B+ достигнет достаточного для запуска RT8205, появляются напряжения +3VLP и VL. А дальше, если запуск не заблокирован транзисторами PQ63A, PQ63B, напряжения +3ALWP и +5ALWP Чтобы произошел запуск, нужно, чтобы PQ64 был открыт. Для этого должно быть напряжение VS, а ACPRN в низком уровне. VS берется из VIN через резисторы PR10 PR11.
При питании от батареи VS отсутствует и появляется при нажатии на кнопку питания. Таким образом, при питании от аккумулятора в дежурном режиме RT8205 генерирует только +3VLP и VL.
Многие платформы Compal имеют схожие схемы. В некоторых могут применяться операционные усилители для формирования ACSET и других сигналов. В этих узлах для формирования опорного напряжения может использоваться напряжение 3V RTC, такие платы не запускаются, если батарейка часов разряжена.
В статьи использованы материалы remnout.by — ремонт ноутбуков в Минске.

[Посещений: 18 215, из них сегодня: 1]